Privacy statement: Your privacy is very important to Us. Our company promises not to disclose your personal information to any external company with out your explicit permission.
Модель: HWE15000
марка: OEM ODER ПРИЕМЛЕМО
Origin: КИТАЙ
Источник питания: Гидравлический
применение: АВТО
Подробности Упаковки: ЭКСПОРТНАЯ КОРОБКА
транспорт: Ocean,Air
Место происхождения: КИТАЙ
Порт: NINGBO,SHANGHAI
Вид оплаты: L/C,T/T,D/P
Инкотермс: FOB,CFR,CIF
Гидравлическая лебедка Industrail 15000 фунтов № АРТ. HWE15000
Идеально подходит для большинства применений при буксировке, коммунальном хозяйстве и прицепе
Мы специально представили наши новые промышленные гидравлические лебедки серии HEW15000, которые имеют тяговое усилие 15 000 фунтов. Эта лебедка также оснащена высокопроизводительным двигателем с большим рабочим объемом, а тормозная система Pawl, размещенная внутри зубчатого редуктора, обеспечивает полную надежность и удобство технического обслуживания в инженерных приложениях.
Функции:
1.) Встречайте European EN stardard
2.) Планетарный редуктор с эффективной трансмиссией.
3.) Работа муфты верхнего типа, простая и надежная
4.) Барабан не нагревается после длительного использования.
5.) Специальная конструкция для промышленного использования
HWE15000
| SPECIFICATION | |
| Rated line pull | 15000 lbs (6804kgs) |
| Motor: permanent magnet | 160ml/r |
| Oil Flow | 5~60L/min |
| Pressure | 17.5Mpa |
| Gear reduction ratio | 17.2:1 |
| Cable (Dia.× L) | Ø15/32″×86.9 ‘ (Ø12mm×26.5m) |
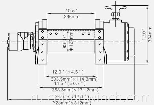
| Drum size (Dia.× L) | Ø5.0 “×10.5” (Ø127mm×266mm) |
| Mounting bolt pattern |
12.0 “×4.5 ” (303.5mm×114.3mm)
14.5 “×6.7” (368.5mm×171.2mm) 8-M12 |
|
Line pull lbs (kgs) |
Pressure Mpa(Psi) |
Flow G/min (L/min) |
Line speed ft/min(m/min) |
|
0 |
2.0(290) |
1.3(5) |
1.4(0.7) |
|
4000(1814) |
4.6(667) |
2.6(10) |
4.3(1.3) |
|
6000(2722) |
6.9(1000) |
5.3(20) |
8.9(2.7) |
|
8000(3629) |
9.2(1334) |
7.9 (30) |
13.1(4.0) |
|
10000(4536) |
11.5(1667) |
10.6(40) |
17.4(5.3) |
|
12000(5443) |
14.0(2030) |
13.2(50) |
22.0(6.7) |
|
12000(5443) |
14.0(2030) |
15.6 (60) |
26.2(8.0) |
|
Layer of cable |
Rated line pull lbs(kgs) |
Total rope on drum ft (m) |
|
|
1 |
15000(6804) |
29.5(9.0) |
|
|
2 |
12791(5807) |
65.6(20.0) |
|
|
3 |
11150 (5062) |
86.9(26.5) |
| ITEM | HWE15000 | ||
| Overall dimensions | 28.5″×12.3″×12.0″ | ||
| (L×W×H) | 723mm×312mm ×304mm | ||
| Net weight (Ibs) | 227 | ||
| (kgs) | 103 |


Группа Продуктов : Промышленные лебедки > Промышленная гидравлическая лебедка
Privacy statement: Your privacy is very important to Us. Our company promises not to disclose your personal information to any external company with out your explicit permission.
Fill in more information so that we can get in touch with you faster
Privacy statement: Your privacy is very important to Us. Our company promises not to disclose your personal information to any external company with out your explicit permission.